CAD Design
CAD design services at Tetraflex
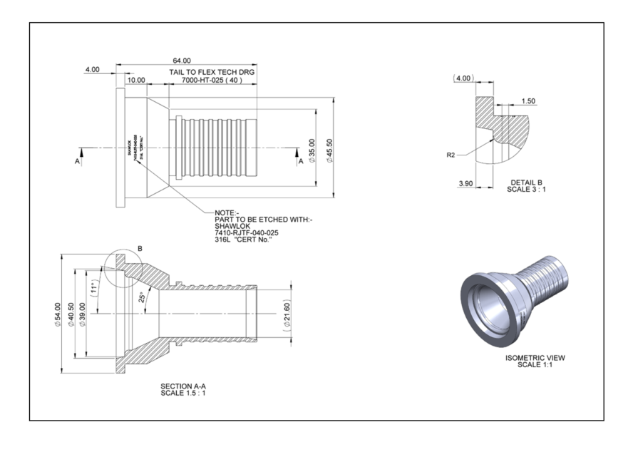
Bring your vision to life
At Tetraflex, we provide expert CAD design services to help bring your project visions to life. Our team works closely with customers to create precise, tailored 3D models for custom hose and fitting solutions. Whether you need complex designs or specific components, we ensure that each CAD design meets your unique requirements and industry standards.
Innovative high-quality designs
Our designs streamline the manufacturing process, improve accuracy, and help visualise products before production. Tetraflex is committed to delivering innovative, high-quality designs that enhance performance and ensure customer satisfaction.
-
Standards
Lorem ipsum dolor sit amet consectetur. Commodo lacus ut sit accumsan quisque suspendisse
-
Service
Lorem ipsum dolor sit amet consectetur. Commodo lacus ut sit accumsan quisque suspendisse
-
Quality
Lorem ipsum dolor sit amet consectetur. Commodo lacus ut sit accumsan quisque suspendisse
-
Safety
Lorem ipsum dolor sit amet consectetur. Commodo lacus ut sit accumsan quisque suspendisse
Working with Tetraflex
With Tetraflex, you can count on precision-engineered products, fast and responsive service, and a commitment to long-term partnerships that drive success for your business.
6
Years established
10+
Full time specialists
Discuss your project
Connect with our team and get expert advice on the right specifications for your project.